通用薄型區域傳感器 NA2-N系列 NA2-N12(NA2-N12-PN)
薄型13mm 最大檢測高度540mm
編 號:1014061062
型 號:NA2-N12(NA2-N12-PN)
品 牌:Panasonic(松下電工)
貨 期:現貨
服 務:由科恩電氣發貨并提供售后服務
瀏 覽:次
- 基本信息
- 產品種類
- 詳細規格
- 產品尺寸
- 產品用途
- 可選件
薄身13mm 最大檢測高度540mm
|
※1
|
※2
|
※3
|
| ※1 | EMC指定適用 |
|---|---|
| ※2 | Recognition認證 (5m電纜長度型除外) |
| ※3 | 認證獲得(僅NA2-□-K) |
特點
|
最大檢測高度540mm(28光軸)
|
實現了最大可達540mm(28光軸)的檢測高度。光軸間距20mm(最小檢測物體φ30mm),檢測距離5m,滿足多種需求。 |
|
清晰易見的大型作業指示燈
|
投光器和受光器兩面都裝有清晰易見的紅色作業指示燈,高度為102mm。 當檢測輸出直接連接作業指示燈輸入時,還可作為大型工作狀態指示燈使用。 |
|
僅13mm厚的薄身材
|
僅13mm厚,30mm寬,薄身NA2-N系列。與您的設備正好吻合,不會干擾作業。 |
|
6種檢測高度
|
除原有的12、16和20光軸型外,此系列還包括8、24和28光軸型。有檢測高度從540mm(28光軸)至140mm(8光軸)的多種型號可供選擇。 |
|
并行安裝的防干擾設置
|
將兩個傳感器設為不同的投光頻率以防止相互干擾。同時使用兩個傳感器可進行更廣區域的檢測。設定頻率可根據亮起的投光指示燈數量確定。 |
|
方便的投光停止功能
|
可選亮起動作
|
全球適用
符合CE標志的EMC指定,并取得UL Recognition認證。另備有已取得韓國S標志認證的產品。另外,還備有在歐洲需求量較大的PNP輸出型。
種類
| 種類 | 形狀 | 檢測距離 |
型號 (注1) |
光軸數 |
檢測高度 (mm) |
輸出 |
|---|---|---|---|---|---|---|
| NPN輸出型 |
|
5m | NA2-N8 | 8 | 140 | NPN開路集電極晶體管 |
| NA2-N12 | 12 | 220 | ||||
| NA2-N16 | 16 | 300 | ||||
| NA2-N20 | 20 | 380 | ||||
| NA2-N24 | 24 | 460 | ||||
| NA2-N28 | 28 | 540 | ||||
| PNP輸出型 | NA2-N8-PN | 8 | 140 | PNP開路集電極晶體管 | ||
| NA2-N12-PN | 12 | 220 | ||||
| NA2-N16-PN | 16 | 300 | ||||
| NA2-N20-PN | 20 | 380 | ||||
| NA2-N24-PN | 24 | 460 | ||||
| NA2-N28-PN | 28 | 540 |
| (注1): | 產品的銘牌上所標記的型號帶“P”符號的機型為投光器,帶“D”符號的機型為受光器。 |
|---|
5m電纜長度型
NPN輸出型中備有5m電纜長度型(標準長度為3m)。
請在型號末尾加注“-C5”進行訂購。
(例)NA2-N8的5m電纜長度型為“ NA2-N8-C5”
韓國S標志認證通過產品
NPN輸出型(5m電纜長度型除外)備有通過韓國S標志認證的產品。
請在型號末尾加注“-K”進行訂購。
(例)NA2-N8的韓國S標志認證通過產品為“ NA2-N8-K”
規格
| 光軸數 | 8光軸 | 12光軸 | 16光軸 | ||
|
型 號 |
NPN輸出 | NA2-N8 | NA2-N12 | NA2-N16 | |
| PNP輸出 | NA2-N8-PN | NA2-N12-PN | NA2-N16-PN | ||
| 檢測高度 | 140mm | 220mm | 300mm | ||
| 檢測距離 | 5m | ||||
| 光軸間距 | 20mm | ||||
| 檢測物體 | φ30mm以上不透明體(完全遮光物體) | ||||
| 電源電壓 | 12~24V DC±10% 脈動P-P10%以下 | ||||
|
消 耗 電 量 (注2) |
投 光 器 |
作業指示燈ON | 0.7W以下 | 0.8W以下 | 0.9W以下 |
| 作業指示燈OFF | 0.6W以下 | 0.7W以下 | 0.8W以下 | ||
|
受 光 器 |
作業指示燈ON | 0.7W以下 | 0.8W以下 | 0.9W以下 | |
| 作業指示燈OFF | 0.6W以下 | 0.7W以下 | 0.8W以下 | ||
| 輸出 |
NPN開路集電極晶體管 ?最大流入電流:100mA ?外加電壓:30V DC以下(輸出和0V之間) ?剩余電壓:2V以下(流入電流為100mA時) 1V以下(流入電流為16mA時) PNP開路集電極晶體管 ?最大源電流:100mA ?外加電壓:30V DC以下(輸出和+V之間) ?剩余電壓:2V以下(源電流為100mA時) 1V以下(源電流為16mA時) |
||||
| 輸出動作 | 所有光軸入光時ON(一個或多個光軸遮光時OFF) | ||||
| 短路保護 | 配備 | ||||
| 反應時間 | 10ms以下(使用防干擾功能時12ms以下) | ||||
|
指 示 燈 |
投光器 |
投光指示燈: 綠色LED×2(投光時亮起,設定頻率A時1個LED亮起,設定頻率B時2個LED亮起) 作業指示燈: 紅色LED(當使用作業指示燈輸入時,亮起、閃爍或熄滅,由工作模式開關選擇亮起形式) |
|||
| 受光器 |
工作狀態指示燈:紅色LED(一個或多個光軸受干擾時亮起) 穩定入光指示燈:綠色LED(穩定接受到所有光軸時亮起) 作業指示燈: 紅色LED(當使用作業指示燈輸入時,亮起、閃爍或熄滅,由工作模式開關選擇亮起形式) ※當通過輸出的電流過量時,由于短路保護電路的操作,穩定入光指示燈和受光器上的工作狀態指示燈會同時閃爍。 |
||||
| 防干擾功能 | 配備 | ||||
| 投光停止功能 | 配備 | ||||
|
環 境 性 能 |
保護構造 | IP40(IEC) | |||
| 使用環境溫度 | -10~+55℃(注意不可結露、結冰),存儲時:-10~+60℃ | ||||
| 使用環境濕度 | 35~85%RH,存儲時:35~85%RH | ||||
| 使用環境照明度 | 白熾燈:受光面照明度3,000lx以下 | ||||
| 耐電壓 | AC1,000V 1分鐘 所有電源連接端子與外殼之間 | ||||
| 絕緣電阻 | 所有電源連接端子與外殼之間,20MΩ以上,基于DC250V的高阻表 | ||||
| 耐振動 | 頻率10~150Hz 雙振幅0.75mm X,Y和Z方向各2小時 | ||||
| 耐沖擊 | 加速度500m/s2(約50G) X,Y和Z方向各3次 | ||||
| 投光元件 | 紅外線LED(投光波峰波長:950nm、調制式) | ||||
| 材質 | 外殼:耐熱ABS,前罩:聚酯,顯示罩:丙烯 | ||||
| 電纜 | 0.2mm2?4芯橡皮電纜,長3m | ||||
| 電纜延長 | 使用0.2mm2以上的電纜時,投光器和受光器的全長均可延長至25m | ||||
| 重量(包括投光器和受光器) |
本體重量:約350g 包裝重量:約550g |
本體重量:約400g 包裝重量:約600g |
本體重量:約450g 包裝重量:約650g |
||
| 光軸數 | 20光軸 | 24光軸 | 28光軸 | ||
|
型 號 |
NPN輸出 | NA2-N20 | NA2-N24 | NA2-N28 | |
| PNP輸出 | NA2-N20-PN | NA2-N24-PN | NA2-N28-PN | ||
| 檢測高度 | 380mm | 460mm | 540mm | ||
| 檢測距離 | 5m | ||||
| 光軸間距 | 20mm | ||||
| 檢測物體 | φ30mm以上不透明體(完全遮光物體) | ||||
| 電源電壓 | 12~24V DC±10% 脈動P-P10%以下 | ||||
|
消 耗 電 量 (注2) |
投 光 器 |
作業指示燈ON | 1.0W以下 | 1.1W以下 | 1.2W以下 |
| 作業指示燈OFF | 0.9W以下 | 1.0W以下 | 1.1W以下 | ||
|
受 光 器 |
作業指示燈ON | 1.0W以下 | 1.1W以下 | 1.2W以下 | |
| 作業指示燈OFF | 0.9W以下 | 1.0W以下 | 1.1W以下 | ||
| 輸出 |
NPN開路集電極晶體管 ?最大流入電流:100mA ?外加電壓:30V DC以下(輸出和0V之間) ?剩余電壓:2V以下(流入電流為100mA時) 1V以下(流入電流為16mA時) PNP開路集電極晶體管 ?最大源電流:100mA ?外加電壓:30V DC以下(輸出和+V之間) ?剩余電壓:2V以下(源電流為100mA時) 1V以下(源電流為16mA時) |
||||
| 輸出動作 | 所有光軸入光時ON(一個或多個光軸遮光時OFF) | ||||
| 短路保護 | 配備 | ||||
| 反應時間 | 10ms以下(使用防干擾功能時12ms以下) | ||||
|
指 示 燈 |
投光器 |
投光指示燈: 綠色LED×2(投光時亮起,設定頻率A時1個LED亮起,設定頻率B時2個LED亮起) 作業指示燈: 紅色LED(當使用作業指示燈輸入時,亮起、閃爍或熄滅,由工作模式開關選擇亮起形式) |
|||
| 受光器 |
工作狀態指示燈:紅色LED(一個或多個光軸受干擾時亮起) 穩定入光指示燈:綠色LED(穩定接受到所有光軸時亮起) 作業指示燈: 紅色LED(當使用作業指示燈輸入時,亮起、閃爍或熄滅,由工作模式開關選擇亮起形式) ※當通過輸出的電流過量時,由于短路保護電路的操作,穩定入光指示燈和受光器上的工作狀態指示燈會同時閃爍。 |
||||
| 防干擾功能 | 配備 | ||||
| 投光停止功能 | 配備 | ||||
|
環 境 性 能 |
保護構造 | IP40(IEC) | |||
| 使用環境溫度 | -10~+55℃(注意不可結露、結冰),存儲時:-10~+60℃ | ||||
| 使用環境濕度 | 35~85%RH,存儲時:35~85%RH | ||||
| 使用環境照明度 | 白熾燈:受光面照明度3,000lx以下 | ||||
| 耐電壓 | AC1,000V 1分鐘 所有電源連接端子與外殼之間 | ||||
| 絕緣電阻 | 所有電源連接端子與外殼之間,20MΩ以上,基于DC250V的高阻表 | ||||
| 耐振動 | 頻率10~150Hz 雙振幅0.75mm X,Y和Z方向各2小時 | ||||
| 耐沖擊 | 加速度500m/s2(約50G) X,Y和Z方向各3次 | ||||
| 投光元件 | 紅外線LED(投光波峰波長:950nm、調制式) | ||||
| 材質 | 外殼:耐熱ABS,前罩:聚酯,顯示罩:丙烯 | ||||
| 電纜 | 0.2mm2?4芯橡皮電纜,長3m | ||||
| 電纜延長 | 使用0.2mm2以上的電纜時,投光器和受光器的全長均可延長至25m | ||||
| 重量(包括投光器和受光器) |
本體重量:約500g 包裝重量:約700g |
本體重量:約570g 包裝重量:約750g |
本體重量:約650g 包裝重量:約800g |
||
(注1):無指定時的測量條件為使用環境溫度=+23℃。
(注2):根據以下公式獲得消耗電流。
消耗電流=消耗電量÷電源電壓
(例)NA2-N8(作業指示燈亮起時)
電源電壓為12V時,投光器的消耗電流為:
0.7W÷12V≈0.058A=58mA
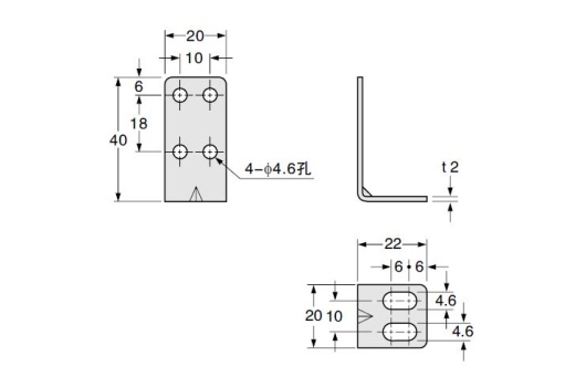
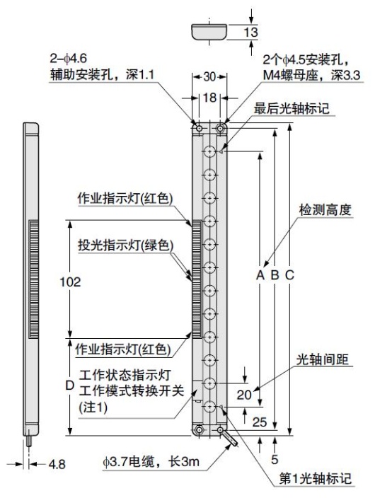
尺寸圖
- 單位mm
NA2-N□
NA2-N□-PN
傳感器
|
|
MS-NA1-1
傳感器安裝支架(另售)
|
安裝圖
受光器安裝圖
|
MS-NA2-1
|
安裝圖
受光器安裝圖
|
MS-NA3-N□
傳感器支撐支架(另售)
|
安裝圖
受光器安裝圖
|
用途
|
|
|
可選件
| 品名 | 型號 | 內容 | |
|---|---|---|---|
| 狹縫透光罩 | OS-NA2-N8 | 適用于8光軸 |
抑制投光量及受光靈敏度。 封口型:10個一套(5傳感器套) 檢測距離: 4m(單側安裝) 1.5m(兩側安裝) |
| OS-NA2-N12 | 適用于12光軸 | ||
| OS-NA2-N16 | 適用于16光軸 | ||
| OS-NA2-N20 | 適用于20光軸 | ||
| OS-NA2-N24 | 適用于24光軸 | ||
| OS-NA2-N28 | 適用于28光軸 | ||
|
傳感器安裝支架 (注1) |
MS-NA1-1 |
4個支架為一套 附帶8個帶墊圈的M4螺絲(長18mm)(使用4個帶墊圈的螺絲),8個螺母,4個掛鉤,4個墊片和4個帶墊圈的M4螺絲(長15mm)。 (MS-NA1-1不附帶墊片。 帶有墊圈的M4螺絲(長15mm)不可用于NA2-N系列。) |
|
| MS-NA2-1 | |||
| 傳感器支撐支架 | MS-NA3-N8 | 適用于8光軸 |
在強烈振動環境下支撐傳感器機身。 2個支架為一套 |
| MS-NA3-N12 | 適用于12光軸 | ||
| MS-NA3-N16 | 適用于16光軸 | ||
| MS-NA3-N20 | 適用于20光軸 | ||
| MS-NA3-N24 | 適用于24光軸 | ||
| MS-NA3-N28 | 適用于28光軸 | ||
| (注1): | 請勿將傳感器安裝支架固定在傳感器的前面。 |
|---|
|
|
|
|||||||||
|




















科恩電氣
科恩眾和