型/薄型物體檢測區域傳感器 NA1-11(NA1-11-PN)
采用交叉光軸掃描方式可檢測薄型物體
編 號:1014071057
型 號:NA1-11(NA1-11-PN)
品 牌:Panasonic(松下電工)
貨 期:現貨
服 務:由科恩電氣發貨并提供售后服務
瀏 覽:次
- 基本信息
- 產品種類
- 詳細規格
- 產品尺寸
- 產品用途
- 可選件
采用交叉光軸掃描方式可檢測薄型物體
|
※1
|
※2
|
| ※1 | EMC指定適用 |
|---|---|
| ※2 | Recognition認證 (5m電纜長度型除外) |
特點
|
可檢測明信片與名片
|
采用交叉光軸掃描方式可檢測明信片或名片等薄型物體。 |
|
投、受光元件間距10mm
|
投、受光元件間距10mm,實現最小檢測物體φ13.5mm。 |
|
寬區域
|
極薄尺寸,實現檢測高度100mm、檢測距離1m的寬區域。最適合各種生產線上的檢測及通過位置不確定的小物體工件的掉落檢測、侵入檢測等。 |
|
厚度僅10mm
|
10mm的極薄尺寸。電纜拉出方向可從2個方向中選擇,可安裝于狹小空間。 |
|
無需同步線,節省配線
|
無需投、受光器間的同步線,配線作業和配線布線簡單。 |
|
清晰可見的指示燈
|
投光器和受光器都裝備有55mm寬的大型指示燈。當檢測輸出直接連接大型指示燈輸入時,還可作為大型工作狀態指示燈使用,十分方便。亮燈動作可選擇亮起和閃爍。 |
|
交叉光軸掃描方式
一般區域傳感器的投光元件與受光元件成對進行掃描,因此不能檢測薄型物體。而NA1-11的投光器側元件按1點~11的順序掃描進行投光動作,受光器側元件不掃描,因此投光器側元件1進行投光動作時,受光器側所有元件1~11都入光。受光器側的元件只要有一個不入光的部位,即進行遮光動作。通過此方式可檢測薄型物體。
|
全球適用
符合CE標志的EMC指令,并取得UL(Recognition)認證。另外,還備有在歐洲需求量較大的PNP輸出型。
種類
規格
| 種類 | NPN輸出型 | PNP輸出型 | |
| 型式號 | NA1-11 | NA1-11-PN | |
| 檢測高度 | 100mm | ||
| 檢測距離(注2) | 0.17?1m | ||
| 元件距離 | 10mm | ||
| 元件數 | 投光器和受光器各11個 | ||
| 檢測物體 | φ13.5mm以上的不透明體(注3) | ||
| 電源電壓 | 12~24V DC±10% 脈動P-P10%以下 | ||
| 消費電流 | 投光器:80mA以下、受光器:100mA以下 | ||
| 輸出 |
NPN開路集電極晶體管 ?最大流入電流:100mA ?外加電壓:30V DC以下(輸出和0V之間) ?剩余電壓: 1V以下(流入電流為100mA時) 0.4V以下(流入電流為16mA時) |
PNP開路集電極晶體管 ?最大流入電流:100mA ?外加電壓:30V DC以下(輸出和+V之間) ?剩余電壓: 1V以下(流入電流為100mA時) 0.4V以下(流入電流為16mA時) |
|
| 輸出動作 | 可用切換開關選擇遮光時ON或OFF | ||
| 短路保護 | 配備 | ||
| 反應時間 | 遮光時:5ms以下、入光時:10ms以下 | ||
|
指 示 燈 |
投光器 |
電源指示燈:綠色LED(通電時亮起) 大型指示燈: 橙色LED (通過切換開關選擇大型指示燈輸入高時亮起或閃爍) |
電源指示燈:綠色LED(通電時亮起) 大型表示燈: 橙色LED (通過切換開關選擇大型指示燈輸入高時亮起或閃爍) |
| 受光器 |
工作狀態指示燈:橙色LED(輸出ON時亮起) 電源指示燈:綠色LED(通電時亮起) 大型指示燈: 橙色LED(通過切換開關選擇大型指示燈輸入低時亮起或閃爍) |
工作狀態指示燈:橙色LED(輸出ON時亮起) 電源指示燈:綠色LED(通電時亮起) 大型指示燈: 橙色LED(通過切換開關選擇大型指示燈輸入高時亮起或閃爍) |
|
|
環 境 性 能 |
保護構造 | IP62(IEC)、防滴Ⅱ型(JIS) | |
| 使用環境溫度 | -10~+55℃(注意不可結露、結冰),存儲時:-20~+70℃ | ||
| 使用環境濕度 | 35~85%RH,存儲時:35~85%RH | ||
| 使用環境照明度 | 白熾燈:受光面照明度3,000lx以下 | ||
| 耐電壓 | AC1,000V 1分鐘 所有電源連接端子與外殼之間 | ||
| 絕緣電阻 | 所有電源連接端子與外殼之間,20MΩ以上,基于DC250V的高阻表 | ||
| 耐振動 | 頻率10~150Hz 雙振幅1.5mm X,Y和Z方向各2小時 | ||
| 耐沖擊 | 加速度500m/s2(約50G) X,Y和Z方向各3次 | ||
| 投光元件 | 紅外線LED(投光波峰波長:880nm、交叉光軸掃描方式) | ||
| 材質 | 外殼:耐熱ABS,透鏡:丙烯,指示燈罩:丙烯 | ||
| 電纜 | 0.3mm2 4芯(投光器:3芯)耐油橡皮電纜,長2m | ||
| 電纜延長 | 0.3mm2以上的電纜時,投光器和受光器的全長均可延長至100m | ||
| 重量 | 本體重量:投光器 約80g/受光器 約85g、包裝重量:約210g | ||
(注1): 無指定的測量條件為使用環境溫度=+23℃。
(注2): 檢測距離是在投光器和受光器之間可設定的范圍。
|
(注3): 本產品采用交叉光軸掃描方式可檢測薄型物體,但可穩定檢測的薄型物體的大小因設定距離而異。用于檢測薄型物體時,請務必通過實際檢測物體確認可穩定檢測。
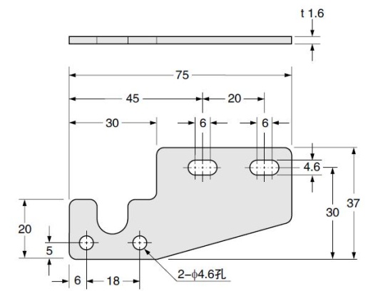
尺寸圖
- 單位mm
NA1-11
NA1-11-PN
傳感器
|
|
MS-NA1-1
傳感器安裝支架(另售)
|
|
MS-NA2-1
傳感器安裝支架(另售)
|
|
用途
|
|
|



















科恩電氣
科恩眾和