放大器內置?小型激光傳感器 EX-L200系列 EX-L221(EX-L221-P)
激光傳感器
編 號:1013571311
型 號:EX-L221(EX-L221-P)
品 牌:Panasonic(松下電工)
貨 期:現貨
服 務:由科恩電氣發貨并提供售后服務
瀏 覽:次
- 基本信息
- 產品種類
- 詳細規格
- 產品尺寸
- 產品用途
- 可選件
|
※1
|
※2
|
| ※1 | EMC指定適用(反射型除外) |
|---|---|
| ※2 | 符合標準 |
特點
小型
|
采用定制的專用IC集成電路和光學設計,與通用光電傳感器體積減少約67%(透過型)、58%(反射型)。 |
|
光軸調節簡易 EX-L211/EX-L212
■還能照出檢測物體的影子,容易目視定位
|
邊觀察映照在光軸調整屏上的紅色光點,邊結合實物進行光軸調節,可瞬間確認的受光位置。右圖表示對自動鉛筆筆芯(檢測物體)進行目視調節的示例。 |
|
簡單設置
|
安裝間距與小型光電傳感器EX-20系列相同,因此,可減少設計工時。 |
|
耐水和塵埃的保護構造IP67
|
采用保護構造IP67,因此,可在水分和塵埃較多的現場環境使用。 |
|
使用便捷
|
■可用M3螺絲切實緊固 |
|
|
■導體截面積為1.5倍,配線更容易 |
|
|
■配備靈敏度調節器 [EX-L211/EX-L221/EX-L291] |
|
■可切換輸出動作
可通過輸出動作切換輸入,切換輸出動作。1種機型即可支持入光時ON/非入光時ON,因此,可消除誤訂購,減少維護部件的管理工時。
|
■低消耗電流
激光光源產品中的低消耗電流。比LED光源約低5mA,使用越多越有效。
種類
| 種類 | 形狀 | 檢測距離 | 型號 |
光點尺寸 (典型示例) |
靈敏 調節器 |
||
|---|---|---|---|---|---|---|---|
| NPN輸出 | PNP輸出 | ||||||
| 透過型 |
微小物體 檢測型 |
|
1m | EX-L211 | EX-L211-P |
約6×4mm (距離1m時) |
配備 |
|
長距離 檢測型 |
3m | EX-L212 | EX-L212-P |
約8×5.5mm (距離1m時) |
- | ||
|
鏡 反射型 |
長距離 檢測型 |
|
4m (注3) | EX-L291 | EX-L291-P |
約6×4mm ( 距離1m時) |
配備 |
|
光點 反射型 |
微小物體 檢測型 |
|
45~300mm | EX-L221 | EX-L221-P |
φ1mm以下 (距離300mm時) |
配備 |
|
限定 反射型 |
光點 型 |
|
20?50mm (中心22mm) (注1) |
EX-L261 | EX-L261-P |
φ1mm以下 (距離50mm時) |
配備 |
|
線性 光點型 |
|
20?70mm (中心22mm) (注1) |
EX-L262 | EX-L262-P |
約1×5mm (距離50mm時) |
配備 | |
| (注1): |
透過型的銘板上所記載的型號名稱中,帶"E"符號的機型為投光器,帶"D"符號的機型為受光器。 (例)EX-L211的投光器:EX-L211E、EX-L211的投光器:EX-L211D |
|---|---|
| (注2): |
回歸反射型的檢測距離是指相對于反射鏡RF-330的數值。另外,檢測距離表示可檢測到檢測物體的范圍。 下表所示的檢測距離A可能會因檢測物體的形狀等而異。請務必利用實際的檢測物體來進行動作確認。
|
| (注3): | 關于偏極濾波器PF-EXL2-1、反射鏡RF-210,請參照選件頁面 |
| (注4): | 近距離安裝反射鏡的情況下,角度特性會變狹窄。請對傳感器或者反射鏡的角度進行微調。 |
| (注5): | 相對于白色無光澤紙(100×100mm)的數值。 |
M8中繼連接器型、電纜長度5m型
備有M8中繼連接器型及電纜長度5m型(標準為2m)。訂購時,請在M8中繼連接器型的型號末尾加“-J”,在電纜長度5m型的型號末尾加“-C5”。另外,M8中繼連接器型,請另外購買連接電纜。
(例)EX-L211-P的M8中繼連接器型為“EX-L211-P-J”
(例)EX-L211-P的電纜長度5m型為“EX-L211-P-C5”
M8中繼連接器型
|
電纜長度5m型
|
連接電纜
|
?連接電纜(透過型需要使用2根)。
| 種類 | 型號名稱 | 電纜長度 |
|---|---|---|
| 直線型 | CN-24A-C2 | 2m |
| CN-24A-C5 | 5m | |
| 彎頭型 | CN-24AL-C2 | 2m |
| CN-24AL-C5 | 5m |
無反射鏡型
回歸反射型中備有不附帶反射鏡的產品。
| 種類 | 型號名稱 | ||
|---|---|---|---|
| NPN輸出 | PNP輸出 | ||
| 回歸反射型 | EX-L291-Y | EX-L291-P-Y | |
| 中繼連接器形 | EX-L291-J-Y | EX-L291-P-J-Y | |
| 電纜長度5m型 | EX-L291-C5-Y | EX-L291-P-C5-Y | |
作為維修部件單獨購買時的型號
規格
| 種類 | 回歸反射型 | 光點反射型 | |
| 長距離檢測型 | 微小物體檢測型 | ||
|
型 號 名 稱 |
NPN輸出 | EX-L291 | EX-L221 |
| PNP輸出 | EX-L291-P | EX-L221-P | |
| 檢測距離 | 4m(注2) |
45?300mm (□使用100mm白色無光澤紙張) |
|
|
光點尺寸 (典型示例) |
約6×4mm(縱×橫) (距離1m時)(注3) |
φ1mm以下 (距離1m時) |
|
| 檢測物體 | φ25mm以上的不透明體、半透明體 | 不透明體、半透明體、透明體 | |
|
最小檢測物體 (典型示例)(注4) |
- | φ0.01mm的金屬絲 | |
| 應差( 遲滯) | 動作距離的20%以下 | ||
| 重復精度 | 檢測軸直角方向:0.2mm以下 | ||
|
重復精度 (典型示例)(注4) |
- |
檢測軸直角方向:0.02mm以下 (距離100~200mm時) |
|
| 電源電壓 | 12?224V DC ±10% 波動P-P10%以下 | ||
| 消耗電流 | 15mA以下 | ||
| 輸出 |
NPN晶體管?開路集電極 ?最大流入電流: 50mA ?外加電壓:26.4V DC以下(輸出-0V之間) ?剩余電壓: 2V以下(流入電流50mA時) 1V以下(流入電流16mA時) PNP晶體管?開路集電極 ?最大流出電流: 50mA ?外加電壓:26.4V DC以下(輸出-+V之間) ?剩余電壓: 2V以下(流出電流50mA時) 1V以下(流出電流16mA時) |
||
| 輸出動作 | 入光時ON/非入光時ON 通過操作輸出動作切換輸入線來進行設定 | ||
| 短路保護 | 配備(短路保護/反接保護) | ||
| 反應時間 | 0.5ms以下 | ||
| 工作狀態指示燈 | 橙色LED(輸出ON時亮燈) 透過型安裝在受光器上 | ||
| 穩定指示燈 | 綠色LED(穩定入光時、穩定非入光時亮燈) 透過型安裝在受光器上 | ||
| 自動防干擾功能 | 配備(最多可緊密安裝2臺) | ||
| 靈敏度調節器 | 配備連續可變電阻 | ||
|
耐 環 境 性 |
保護構造 | IP67(IEC、JIS) | |
| 使用環境溫度 | -10?+55℃(但應無凝露及結冰)、存儲時:-30?+70℃ | ||
| 使用環境濕度 | 35?85%RH、存儲時:35:35?85%RH | ||
| 使用環境照明度 | 白熾燈:受光面照明度3,000?x以下 | ||
| 耐電壓 | AC1,000V 1分鐘 所有充電部與外殼之間 | ||
| 絕緣電阻 | 所有充電部與外殼之間,20MΩ以上,基于DC250V的高阻表 | ||
| 耐振動 | 頻率10?500Hz 雙振幅:1.5mm(最大10G) X,Y和Z各方向2小時 | ||
| 耐沖擊 | 加速度:500m/s2(約50G),X,Y和Z各方向3次 | ||
| 投光元件 |
紅色半導體激光 等級1(JIS/IEC/FDA)(注5) [最大輸出:EX-L211/212□ 390μW、EX-L291□ 0.5mW、EX-L221□ 2mW、發光峰值波長655nm] |
||
| 材質 | 外殼:PBT、前面窗口:丙烯基、透鏡:玻璃 | ||
| 電纜 | 0.15mm2 4芯(透過型的投光器為2芯)帶橡皮絕緣電纜2m | ||
| 電纜延長 | 0.3mm2以上的電纜全長可延長至50m(透過型中投光器、受光器各全長 100m) | ||
| 重量 | 本體重量:約45g、包裝重量:約60g | ||
| 附件 |
RF-330(反射鏡) :1個 MS-EXL2-3(安裝板) :1個 |
MS-EXL2-3(安裝板) :1個 | |
| (注1): | 無指定時的測量條件為使用環境溫度=+23℃。 |
|---|---|
| (注2): |
回歸反射型傳感器的檢測距離是相對于反射鏡RF-330的數值。此外,檢測距離表示檢測物體的可檢測范圍。下表中的檢測距離A因檢測物體的形狀等不同,可能發生變化。 請務必使用實際的檢測物體進行動作確認。![]() ※1::關于偏極濾波器PF-EXL2-1、反射鏡RF-210,請參照選件。 ※2::近距離安裝反射鏡的情況下,角度特性會變狹窄。請對傳感器或者反射鏡的角度進行微調。 |
| (注3): | EX-L212□在距離為3m的情況下,光點尺寸約為H17×W11mm((目視的典型示例)。EX-L291□在距離為4m的情況下,光點尺寸為H18×W10mm((目視的典型示例)。 |
| (注4): | 將靈敏度調節器的設定調整為最佳狀態時的參考值。 |
| (注5): | 根據激光通知No.50(2007.6.24),符合FDA規定(21 CFR 1040.10及1040.11)。 |
| 種類 | 透過型 | ||
| 微小物體檢測型 | 長距離檢測型 | ||
|
型 號 名 稱 |
NPN輸出 | EX-L211 | EX-L212 |
| PNP輸出 | EX-L211-P | EX-L212-P | |
| 檢測距離 | 1m | 3m | |
|
光點尺寸 (典型示例) |
約6×4mm(縱×橫) (距離1m時) |
約8×5.5mm(縱×橫) (距離1m時)(注2) |
|
| 檢測物體 | φ2mm以上的不透明體 | φ3mm以上的不透明體 | |
|
最小檢測物體 (典型示例)(注3) |
φ0.3mm的不透明體 | - | |
| 重復精度 | 檢測軸直角方向:0.05mm以下 | ||
|
重復精度 (典型示例)(注3) |
檢測軸直角方向: 0.01mm以下 (所有區域) |
- | |
| 電源電壓 | 12?24V DC ±10% 波動P-P10%以下 | ||
| 消耗電流 | 投光器:10mA以下、受光器:10mA以下 | ||
| 輸出 |
NPN晶體管?開路集電極 ?最大流入電流: 50mA ?外加電壓:26.4V DC以下(輸出-0V之間) ?剩余電壓: 2V以下(流入電流50mA時) 1V以下(流入電流16mA時) PNP晶體管?開路集電極 ?最大流出電流: 50mA ?外加電壓:26.4V DC以下((輸出-+V之間) ?剩余電壓: 2V以下(流出電流50mA時) 1V以下(流出電流16mA時) |
||
| 輸出動作 | 入光時ON/非入光時ON 通過操作輸出動作切換輸入線來進行設定 | ||
| 短路保護 | 配備(短路保護/反接保護) | ||
| 反應時間 | 0.5ms以下 | ||
| 工作狀態指示燈 | 橙色LED(輸出ON時亮燈) 透過型安裝在受光器上 | ||
| 穩定指示燈 | 綠色LED(穩定入光時、穩定非入光時亮燈) 透過型安裝在受光器上 | ||
| 電源指示燈 | 綠色LED(通電時亮燈) 安裝在投光器上 | ||
| 靈敏度調節器 | 連續可變電阻 安裝在受光器上 | - | |
|
耐 環 境 性 |
保護構造 | IP67(IEC、JIS) | |
| 使用環境溫度 | -10?+55℃(但應無凝露及結冰)、存儲時:-30?+70℃ | ||
| 使用環境濕度 | 35?85%RH、存儲時:35?85%RH | ||
| 使用環境照明度 | 白熾燈:受光面照明度3,000?x以下 | ||
| 耐電壓 | AC1,000V 1分鐘 所有充電部與外殼之間 | ||
| 絕緣電阻 | 所有充電部與外殼之間,20MΩ以上,基于DC250V的高阻表 | ||
| 耐振動 | 頻率:10?500Hz 雙振幅:1.5mm(最大10G) X,Y和Z各方向2小時 | ||
| 耐沖擊 | 加速度500m/s2 (約50G) X,Y和Z各方向3次 | ||
| 投光元件 |
紅色半導體激光 等級1(JIS/IEC/FDA)(注4) [最大輸出:EX-L211/212□ 390μW、EX-L291□ 0.5mW、EX-L221□ 2mW、發光峰值波長655nm] |
||
| 材質 | 外殼:PBT、前面窗口:丙烯基、透鏡:玻璃 | ||
| 電纜 | 0.15mm2 4芯(透過型的投光器為2芯)帶橡皮絕緣電纜2m | ||
| 電纜延長 | 0.3mm2以上的電纜全長可延長至50m(透過型中投光器、受光器各全長100m) | ||
| 重量 |
本體重量:投光器約40g/受光器約40g 包裝重量:約90g |
||
| 附件 | MS-EXL2-2(安裝板):2個 | ||
(注1) :未指定的測量條件為使用環境溫度=+23℃。
(注2) : EX-L212□型在距離為3m時,光點尺寸約為H17×W11mm(目測的代表示例)。
(注3) :將靈敏度調節器調至最佳設定時的參考值。
(注4) :依據第50號激光通告(2007.6.24),以FDA標準(21 CFR 1040.10、1040.11)為準。
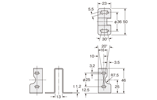
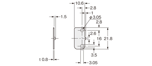
尺寸圖
- 單位mm
EX-L261(-P)
EX-L262(-P)
傳感器
|
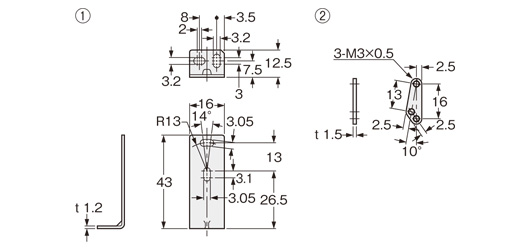
EX-L211(-P)
EX-L212(-P)
傳感器
|
EX-L211(-P)-J
EX-L212(-P)-J
傳感器
|
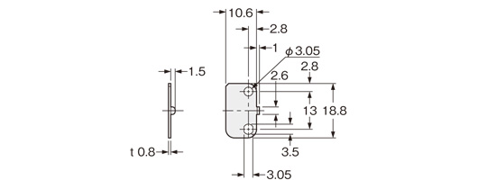
EX-L221(-P)
EX-L291(-P)
傳感器
|
偏極濾光器安裝圖
圖示為在回歸反射型EX-L291(-P)上安裝有偏極濾光器PF-EXL2-1的情況。
|
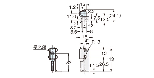
EX-L221(-P)-J
EX-L291(-P)-J
傳感器
|
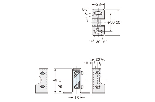
RF-330
|
RF-210
|
MS-RF21-1
|
安裝圖
|
MS-EXL2-2
|
|
MS-EXL2-3
|
|
MS-EXL2-1
|
|
|
用途
|
|
|
|
|
|
|
|
|
|
|
|
|
|
可選件
| 品名 | 型式名 | 內容 |
|---|---|---|
| 傳感器安裝支架 | MS-EXL2-1 |
立式安裝支架 (透過型傳感器需2個支架。) |
| MS-EXL2-5 |
背面方向安裝支架 (透過型傳感器需2個支架。) |
|
| MS-EXL2-6 |
是透過型用互換支架25.4mm間距的傳感器安裝支架中可簡單安裝EX-L21□的支架。和傳感器中附帶的板一起使用。 投?受光器中使用時需2個支架。 |
|
| 通用傳感器安裝件 | MS-EXL2-4 |
可調節傳感器安裝的高度與角度。 (透過型傳感器需2個支架。) |
| 偏極濾波器 | PF-EXL2-1 |
回歸反射型用的偏極濾波器。 可使鏡面體的檢測保持穩定。 |
| 反射鏡 | RF-210 |
用于回歸反射型EX-L291□。 檢測距離1.8m(注1) |
| 反射鏡安裝支架 | MS-RF21-1 |
RF-210用保護性安裝支架。 防止反射鏡受損害,保持對齊。 |
(注1) :裝時請使傳感器與反射鏡之間保持0.16m以上的距離。詳情請參照種類。
傳感器安裝支架
|
|
|
|||||||||
|
|
|
|||||||||
|






















科恩電氣
科恩眾和