放大器分離型 數字激光傳感器 LS-500系列放大器 LS-501(LS-501P)
小型激光傳感器檢測頭
- 基本信息
- 產品種類
- 詳細規格
- 產品尺寸
- 產品用途
- 可選件
|
※1
|
※2
|
| ※1 | EMC指定適用 |
|---|---|
| ※2 | 符合標準 |
※根據2013年5月本公司對放大器分離型激光傳感器檢測頭展開的調查。
特點
采用SUS機身。
安裝時、維護時,即使碰到也不易損壞。
[透過型M6檢測頭ON型LS-H101]
|
檢測距離實現了1m
(放大器的反應時間STD模式下)
檢測距離實現了1m
[透過型方型側面ON型 LS-H102]
|
|
采用2點固定
與放大器內置、小型激光傳感器EX-L200透過型的形狀相同。
可用作EX-L200的數字顯示型。
彎曲點也實現了與EX-L200相同的品質。
(同軸反射,與以往產品相比,消減約60&的尺寸)
[同軸反射型 LS-H201]
|
|
|
實現長距離小光點
最大檢測距離為300mm(放大器的反應時間STD模式下),實現了?2mm
除采用同軸結構外,還將光源配置在檢測頭的中央,因此設計變得更加簡單。
[同軸回歸反射型 LS-H901]
|
檢測距離實現了10mm~1m
(放大器的反應時間STD模式下)
對應近距離檢測。
反應時間 較快級別※60μs [放大器 LS-500]
|
無論是形狀還是操作性,力求與光纖傳感器之間的親和性。
為您創造出可輕松選擇激光傳感器的環境。
追求與光纖傳感器之間的親和性
操作、菜單顯示、形狀均與FX-500相同。提高與光纖傳感器之間的親和性。
檢測光軸的偏差
配備有雙輸出(自診斷輸出)
能檢測灰塵等污漬所引起的光量下降,并輸出為警報。可將輸出2設定為自診斷輸出。對輸出1的閾值進行教導后,輸出2即進行聯動,將任意設定的閾值余量轉換后,進行設定。
長期、穩定地進行檢測
配備有閾值追隨功能。長期、穩定地進行檢測,有助于削減維護工時。對于長期性環境變化(灰塵等)所引起的光量變化,會進行追隨,因此可在任意周期確認入光量,并自動重設閾值。
邏輯運算
只有激光傳感器可進行三種邏輯運算(AND、OR、XOR)。無需專用控制器,省配線,還可削減成本。還可與FX-500組合使用。
數據庫
可將放大器的8種設定條件保存到本體的存儲器。可保存、下載設定條件, 因此對于多品種的制造現場,可減少品種更換的作業。
※根據2013年5月本公司對放大器分離型激光傳感器檢測頭展開的調查。
種類
檢測頭
5m電纜長度型
備有5m電纜長度型(標準:2m)。請在型號末尾加注“-C5”進行訂購。詳細請參考型號一覽表。
無反射鏡型
LS-H901中備有不附帶反射鏡(RF-330)的型號。
請在型號末尾加注“-Y”進行訂購。
詳細請參考型號一覽表。
型號一覽表
| 種類 |
標準型 型號 |
5m電纜長度型 | 無反射鏡型 | |
|---|---|---|---|---|
| 型號 | 型號 | |||
| 透過型 | 圓柱形 | LS-H101 | LS-H101-C5 | - |
| 方形 | LS-H102 | LS-H102-C5 | - | |
| 同軸反射型 | LS-H201 | LS-H201-C5 | - | |
| 同軸回歸反射型 | LS-H901 | LS-H901-C5 | LS-H901-Y | |
放大器
| 種類 | 形狀 | 型號 | 輸出 | 連接方式 |
|---|---|---|---|---|
|
連接器 型 |
|
LS-501 |
NPN開路集電極 晶體管雙輸出 |
使用另售的單觸式電纜 |
| LS-501P |
PNP開路集電極 晶體管雙輸出 |
|||
|
電纜 型 (帶外部輸入) |
|
LS-501-C2 |
NPN開路集電極 晶體管雙輸出 |
附帶2m橡皮電纜(6芯) 電纜外徑:?4mm |
| LS-501P-C2 |
PNP開路集電極 晶體管雙輸出 |
單觸式電纜
連接器型放大器本體不附帶單觸式電纜。請務必另行購買單觸式電纜。
連接器
| 種類 | 形狀 | 型號 | 內容 | 備注 |
|---|---|---|---|---|
|
放大器連接用 連接器 |
|
CN-EP4 |
檢測頭所附帶的連接器。 連接器發生損壞時,可用做備用。 |
[5個1套] |
尾盤
放大器本體不附帶尾盤。連接時請務必另行購買尾盤。
| 形狀 | 型號 | 內容 | 備注 |
|---|---|---|---|
|
MS-DIN-E | 連接放大器或在DIN導軌上移動放大器時,請從兩端夾緊放大器,并將其固定。連接時請務必使用。 | [2個1套] |
附件
規格
|
種類 |
透過型 | 同軸反射型 | 同軸回歸反射型 | ||
|---|---|---|---|---|---|
| 圓柱型 | 小型 | ||||
| 型號 | LS-H101 | LS-H102 | LS-H201 | LS-H901 | |
| 適用放大器 | LS-501(P)、 LS-501(P)-C2 | ||||
|
檢 測 距 離 |
H-SP | 1m | 1m | 150mm | 0.01~1m |
| FAST | 1m | 1m | 200mm | 0.01~1m | |
| STD | 1m | 1m | 300mm | 0.01~1m | |
| LONG | 1m | 1m | 450mm | 0.01~1.5m | |
| U-LG | 1m | 1m | 600mm | 0.01~2m | |
| HYPR | 1m | 1m | 750mm | 0.01~2.5m | |
| 光點大小 |
約φ5mm以下 (距離1m時) |
約φ5mm以下 (距離1m時) |
約φ2mm以下 (距離300mm時) |
約φ6mm以下 (距離1m時) |
|
| 檢測物體 | 不透明體、半透明體、透明體(注3) | ||||
| 工作狀態指示燈 | 橙色LED(放大器輸出ON時亮起) | ||||
|
環 境 性 能 |
保護構造 | IP40(IEC) | IP67(IEC) | IP40(IEC) | IP40(IEC) |
| 使用環境溫度 | -10~+55℃(注意不可結露、結冰)、保存時:-20~+70℃ | ||||
| 使用環境濕度 | 35~85%RH、保存時:35~85%RH | ||||
| 使用環境照明度 | 白熾燈:受光面照明度3,000?x以下 | ||||
| 耐電壓 | AC1,000V 1分鐘 所有電源連接端子與外殼之間 | ||||
| 絕緣電阻 | 20MΩ以上,基于DC250V的高阻表 所有電源連接端子與外殼之間 | ||||
| 耐振動 | 頻率10~500Hz 雙振幅1.5mm X,Y和Z方向各2小時(不通電) | ||||
| 耐沖擊 | 加速度100m/s2(約10G) X,Y和Z方向各3次(不通電) | ||||
|
投 光 元 件 |
種類 | 紅色半導體激光 | |||
| 投光波峰波長 | 660nm | 660nm | 660nm | 660nm | |
| 激光級別 | 1級(JIS/IEC/FDA) | ||||
| 最大輸出 | 2mW | 2mW | 2mW | 1mW | |
| 材質 |
本體外殼:SUS303 罩:聚碳酸酯 |
本體外殼:PBT 罩:丙烯 |
本體外殼:PBT、 表示罩:聚碳酸酯、 投?受光面:玻璃 |
||
| 電纜 | 0.09mm2 雙芯屏蔽電纜,長2m | 0.15mm2 雙芯平行雙線屏蔽電纜,長2m | |||
| 重量 |
本體重量:約50g 包裝重量:約75g |
本體重量:約50g 包裝重量:約70g |
本體重量:約50g 包裝重量:約80g |
本體重量:約50g 包裝重量:約85g |
|
| 附件 |
M6螺母4個、 齒鎖墊圈(內)2個 |
MS-EXL2-2(安裝板):2個 | MS-LS-1(安裝支架):1個 |
MS-LS-1(安裝支架):1個 RF-330(反射鏡):1個 |
|
| (注1): | 無指定時的測量條件為使用環境溫度=+23℃。 |
|---|---|
| (注2): | 依據第50號激光通告(2007.6.24),以FDA標準(21 CFR 1040.10或1040.11)為準。 |
| (注3): | 請勿必事先對實機檢測確認后,再使用。 |
| (注4): | 透過型與同軸反射型的檢測距離是指相對于白色無光澤紙(□100mm)的數值。 |
| (注5): |
同軸型回歸反射型的檢測距離是指相對于反射鏡RF-330的數值。檢測距離表示反射鏡的可設范圍。亦可在0.01m以下的距離檢測物體。 同軸型回歸反射型在近距離檢測理論上的鏡面體或光線容易擴散的物體時,可能會因發生偏光的光線不穩定而導致無法檢測。 [措施]
對于組合放大器LS-500系列,設定基準值時,請選擇留有充足余量的基準值。 |
| (注6): |
使用透過型LS-H101□或LS-H102□時,組合放大器LS-500系列的受光靈敏度,請勿設定(gctL)為2檔或以下。 否則檢測會變得不穩定。 |
| (注7): | 電纜不可延長。 |
| 種類 | 連接器型 | 電纜型 | |
|---|---|---|---|
| 型號 | NPN輸出 | LS-501 | LS-501-C2 |
| PNP輸出 | LS-501P | LS-501P-C2 | |
| 電源電壓 | 12~24V DC +10-15% 脈動P-P10%以下 | ||
| 消耗電流 |
通常工作時:1,200mW以下(電源電壓24V時 消耗電流50mA以下、電纜型的監控電流輸出除外) ECO模式下時:980mW以下(電源電壓24V時 消耗電流40mA以下、電纜型的監控電流輸出除外) |
||
| 輸出(輸出1、輸出2) |
NPN開路集電極晶體管 ?最大流入電流:50mA(注2) ?外加電壓:30V DC以下(輸出-0V之間) ?剩余電壓:2V以下(最大流入電流條件下) PNP開路集電極晶體管 ?最大源電流:50mA(注2) ?外加電壓:30V DC以下(輸出-+V之間) ?剩余電壓:2V以下(最大源電流時) |
||
| 輸出動作 | 入光時ON/非入光時ON 切換式 | ||
| 短路保護 | 配備 | ||
|
檢測 輸出 設定 |
輸出1 | 通常模式/微分模式/應差模式/窗口對比模式 切換式 | |
| 輸出2 |
通常模式/微分模式/應差模式/ 自我診斷輸出模式 切換式 |
通常模式/微分模式/應差模式/ 自我診斷輸出模式/ 電應輸出模式輸出 切換式 |
|
| 反應時間 | H-SP:60μs以下、FAST:150μs以下、STD:250μs以下、LONG:500μs以下、U-LG:5ms以下、HYPR:24ms以下 切換式 | ||
| 監控電流輸出 | - |
輸出電流:約4~20mA(H-SP、FAST、STD:0~4,000表示時) 反應時間:2ms以下 零點:4mA±1%F.S.以內 跨距:16mA±5%F.S.以內 直線性:±3%F.S.以內 負載電阻:0~250Ω |
|
| 外部輸入 |
NPN無觸點輸入 ?信號條件 High:+8V~+V DC或開路、Low:0~+2V DC(源電流0.5mA以下) ?輸入阻抗:約10kΩ PNP無觸點輸入 ?信號條件 High:+4V~+V DC(流入電流3.0mA以下)、Low:0~+0.6V DC或開路 ?輸入阻抗:約10kΩ |
||
| 外部輸入功能 | 投光停止/教導(全自動,限定,2點)/邏輯運算/復制功能的鎖定/顯示調整/ 數據庫加載/數據庫保存 切換式 | ||
| 工作狀態指示燈 | 橙色LED(輸出1、輸出2 ON時亮起) | ||
| 激光投光指示燈 | 緑色LED(激光投光時亮起) | ||
| 輸出選擇指示燈 | 黃色LED(輸出選擇時亮起) | ||
| 數字顯示 | 數字顯示 數字顯示 8位7段(綠色LED4位+紅色LED4位) 模式下表示(黃色LED):L/D?CUST?PRO | ||
| 入光量顯示范圍 | H-SP/FAST/STD:0~4,000、LONG/U-LG/HYPR:0~9,999 | ||
| 靈敏度設定方法 | 2點教導/限定教導/全自動教導/手動調節 | ||
| 邏輯運算 | 檢測輸出1與運算對象之間:無效/and/or/xor 切換式 運算對象:檢測輸出2/緊貼上位放大器(檢測輸出1)/外部輸入 切換式 | ||
| 定時器功能 |
<輸出1> 斷開延遲定時器/接通延遲定時器/單觸式定時器/接通·斷開延遲定時器/接通延遲·單觸式定時器 有效/無效切換式 定時器時間可變 |
||
|
<輸出2> 斷開延遲定時器/接通延遲定時器/單觸式定時器有效/ 無效切換式 定時器時間可變 |
|||
| 定時器時間 |
定時器范圍“ms”:約0.5ms、約1~9,999ms、約1ms為單位 定時器范圍“sec”:約0.5s、約1~32s、約1s為單位 定時器范圍“1/10ms”:約0.05ms、約0.1~999.9ms、約0.1ms為單位 各輸出分別設定 |
||
| 防干擾功能 | 配備(注3) | ||
|
環 境 性 能 |
使用環境溫度 |
-10~+55℃[4~7臺緊貼安裝時:-10~+50℃、8~16臺緊貼安裝時(電纜型為8~12臺):-10~+45℃] (注意不可結露、結冰)、 保存時:-20~+70℃ |
|
| 使用環境濕度 | 35~85%RH、保存時:35~85%RH | ||
| 耐電壓 | AC1,000V 1分鐘 所有電源連接端子與外殼之間 | ||
| 絕緣電阻 | 20MΩ以上,基于DC250V的高阻表 所有電源連接端子與外殼之間 | ||
| 耐振動 | 頻率10~150Hz 雙振幅0.75mm(最大10G) X,Y和Z方向各2小時(不通電) | ||
| 耐沖擊 | 耐久98m/s2(約10G) XYZ各方向5次(不通電) | ||
| 材質 | 本體外殼:聚碳酸酯、罩:聚碳酸酯、開關:聚甲醛 | ||
| 保護構造 | IP40(IEC) | ||
| 電纜 | - | 0.2mm2 6芯 橡膠絕緣電纜,長2m | |
| 電纜延長 | 0.3mm2 以上的電纜全長可延長至100m | ||
| 重量 | 本體重量:約15g、包裝重量:約55g | 本體重量:約75g、包裝重量:約110g | |
| 附件 | FX-MB1(放大器保護封條):1套 | ||
| (注1): | 無指定時的測量條件為使用環境溫度=+23℃。 |
|---|---|
| (注2): | 串聯連接5臺以上時為25mA。但,延長電纜除外。 |
| (注3): | 可緊貼安裝臺數:H-SP:0臺/FAST:2臺/STD、LONG、U-LG、HYPR:4臺。 |
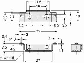
尺寸圖
- 單位mm
LS-H101□
檢測頭
|
LS-H102□
檢測頭
|
LS-H201□
LS-H901□
LS-501
LS-501P
放大器
|
LS-501-C2
LS-501P-C2
放大器
|
CN-74-C1
CN-74-C2
CN-74-C5
母電纜(另售)
|
?長度
| 型號 | 長度(mm) |
|---|---|
| CN-74-C1 | 1,000 |
| CN-74-C2 | 2,000 |
| CN-74-C5 | 5,000 |
CN-72-C1
CN-72-C2
CN-72-C5
子電纜(另售)
|
?長度
| 型號 | 長度(mm) |
|---|---|
| CN-72-C1 | 1,000 |
| CN-72-C2 | 2,000 |
| CN-72-C5 | 5,000 |
MS-DIN-E
尾盤(另售)
|
RF-330
反射鏡(LS-H901□附帶)
|
RF-310
反射鏡(另售)
|
RF-33
RF-31
反射鏡(另售)
|
| 型號 | A | B |
|---|---|---|
| RF-33 | 25.2 | 27.8 |
| RF-31 | 9.2 | 9.2 |
MS-DIN-2
放大器安裝支架(另售)
|
MS-LS-1
檢測頭安裝支架
|
MS-EXL2-1
檢測頭安裝支架(另售)
立式安裝支架
|
MS-EXL2-2
安裝板(LS-H102□附帶)
|
|
MS-EXL2-5
檢測頭安裝支架(另售)
倒裝式安裝支架
|
MS-EXL2-4
檢測頭安裝支架(另售)
自由調節安裝支架
|
|
用途
透過型 M6頂端檢測型
|
|
|
透過型 方形側面的檢測
|
|
|
同軸反射型
|
|
|
同軸型回歸反射型
|
|
|
可選件
| 品名 | 型號 | 內容 | |
|---|---|---|---|
|
檢測頭 安裝支架 |
MS-EXL2-1 |
LS-H102□(方形側面檢測用用) 立式安裝支架 |
|
| MS-EXL2-4 |
LS-H102□(方形側面檢測用用) 自由調節安裝支架 |
||
| MS-EXL2-5 |
LS-H102□(方形側面檢測用用) 倒裝式安裝支架 |
||
|
放大器 安裝支架 |
MS-DIN-2 | 放大器專用支架。 | |
|
放大器 保護封條 |
FX-MB1 |
2個交流窗用密封墊和1個連接器用封條:10套 通交流窗用密封墊: 防止從一個放大器上傳輸信號造成的動作異常及對另一個放大器的影響。 連接器用封條: 帶有單觸式電纜針,防止任何金屬等的接觸。 |
|
| 反射鏡 | RF-310 |
用于同軸型回歸反射型。 是小型規格的反射鏡。 |
檢測距離:0.01~1m |
| 反射帶 | RF-31 |
用于同軸回歸反射型。 規格:9.2×9.2×t0.4mm |
|
| RF-33 |
用于同軸回歸反射型。 規格:25.2×27.8×t0.4mm |
檢測距離 與RF-330相同。 |
|
檢測頭安裝支架
|
|
|
|||||||||
放大器安裝支架
|
反射鏡
|
反射帶
|
|
放大器保護封條
|





















科恩電氣
科恩眾和