雙畫面?數字壓力傳感器 [氣體用] DP-100 Ver.2 DP-101
操作性能不變,通過4大版本升級使產品更易用
- 基本信息
- 產品種類
- 詳細規格
- 產品尺寸
- 產品用途
- 可選件


雙畫面三色顯示,操作簡單!
|
※1
|
※2
|
※3
|
| ※1 | EMC指令 |
|---|---|
| ※2 | Recognition認證 |
| ※3 | 認證獲得 (僅限DP-101(A)/102(A)) |
2013年10月 中國用版本升級 ※
※ 從2013年10月生產部分開始切換。
2013年5月 操作性能不變,通過4大版本升級使產品更易用 ※
- "更清晰可見"提高了數字顯示屏的可視性
- "用于模擬輸出的長距離傳輸"高功能型中新增了模擬電流輸出
- "減少對環境的影響"功耗降低14%(通常時)
- "進一步加強了輸出電路" 晶體管輸出電路中配備了反接保護電路
※ 從2013年5月生產的產品開始依次進行替換。詳細請詢問各銷售分公司。
特點
"更清晰可見"提高了數字顯示屏的可視性
|
通過數字顯示屏的改進,拓寬了視角且更清晰可見。 |
|
"用于模擬輸出的長距離傳輸"高功能型中新增了模擬電流輸出
模擬輸出不僅配備了電壓輸出,還配備了電流輸出,可根據用途進行選擇。
"減少對環境的影響"功耗降低14%(通常時)
|
通過低功耗DP-100系列的電路的改進,其通常時的功耗降低了14%。 |
|
"進一步加強了輸出電路" 晶體管輸出電路中配備了反接保護電路
防止因誤配線導致的故障。
可同時顯示“當前值”和“基準值”、直接設定基準值
□30mm的緊湊機身配備雙畫面顯示功能。可同時確認當前值和基準值,無需切換畫面模式即可順利確認、設定基準值。在基準值設定過程中也可進行ON/OFF動作,可以像旋鈕式傳感器那樣進行設定。當然,還裝備鎖定功能。
|
3色顯示(紅、綠、橙)
|
主顯示屏與輸出的ON/OFF動作聯動,使顏色變化,而且設定中顏色也可變化。容易掌握傳感器的狀況,減少操作錯誤。 |
|
易讀的數字顯示
|
采用12段字母數字顯示。英數字的辨識性得到提高。 |
|
減少工時、人為錯誤的復制功能
通過將傳感器逐臺安裝到主傳感器上,可通過數據通信復制主傳感器的設定內容。對多個傳感器進行相同設定時,可防止設定錯誤導致的故障,在變更裝置的設計時,只需對作業指示書進行少許變更即可。
|
|
優勢2:減少人為錯誤!
?對多個傳感器進行相同設定時,可防止設定錯誤導致的故障!
?在變更裝置的設計時,只需對作業指示書進行少許變更即可!
傳感器的設定操作模式對應使用頻率的3層結構
日常進行的操作設定使用“RUN模式”、基本設定使用“菜單設定模式”、高級功能使用“PRO模式”,根據設定內容的等級加以明確區分。設定操作簡單易懂。
|
|
|
|
設定中顯示橙色
RUN狀態下顯示綠色/紅色,設定中顯示橙色、傳感器的狀態清晰可見。
|
|
使用方便的初始設定
壓力傳感器的使用頻率最多的用途設置為初始設定。低壓型使用與吸附確認、高壓型適用于總壓確認。減輕傳感器設定的作業。
|
按鍵舒適
觸感優良的按鍵,設定時流暢舒適。
重置功能
在傳感器設定困難的場合,迅速回復初始狀態。
所有機型齊備連成壓型
|
無需按正壓、負壓選擇傳感器,可減少登錄編號。 |
|
實現高精度傳感 [低壓型]
低壓型實現了分辨率 1/2,000的0.1kPa單位顯示、反應時間 2.5ms(最多5,000ms可變)、溫度特性±0.5%F.S.、重復精度 ±0.1%F.S.和高精度檢測。
<0.1kPa單位顯示>
分辨率 : 1/2,000
反應時間 : 2.5ms
溫度特性 : ±0.5%F.S.
重復精度 : ±0.1%F.S.
配備獨立雙路和三路輸出模式 [標準型]
配備兩路獨立的比較輸出,可分別選擇傳感模式。有兩路比較輸出,可將其中1路用作警報輸出。 還可使不用的輸出無效。
|
|
配備獨立雙路和三路輸出模式
|
|
|
模擬輸出與外部輸入之間可切換 [高功能型][短端口型用]
從Ver.2起,除模擬電壓輸出以外,高功能型中還配備了模擬電流輸出。
備有可選擇模擬輸出(電壓/電流)或外部輸入(自動參照/遠程調零)的高功能型。適合各種各樣的用途。
|
配備自動參照/遠程調零功能。只需最少量的工時即可實現更高精度的壓力管理
可區分使用在裝置的總壓力變化時,通過外部輸入將比較輸出的判定水平轉移總壓力變化值進行修正的自動參照功能,以及可將顯示值修正為零的遠程調零功能。可有效用于總壓力變化劇烈的部位,以及要求精細設定的部位。
|
無自動參照/遠程調零功能 |
|
|
使用自動參照功能時 |
|
|
使用遠程凋零功能時 |
|
自定義輔顯示屏
|
設定內容一目了然
以數字顯示通知DP-100的設定內容。
種類
關于型號
|
海外市場用(日本以外)
基于測量法,請避免在日本國內使用。
| 種類 | 額定壓力范圍 | 型號 | 壓力端口 | 比較輸出 | |||
|---|---|---|---|---|---|---|---|
|
標 準 端口 型 |
亞 洲 用 |
標 準 |
低壓用 | -100.0~+100.0kPa | DP-101 |
M5內螺紋 + R1/8外螺紋 |
NPN開路集? 電極晶體管 |
| 高壓用 | -0.100~+1.000MPa | DP-102 | |||||
|
多 功 能 |
低壓用 | -100.0~+100.0kPa | DP-101A | ||||
| 高壓用 | -0.100~+1.000MPa | DP-102A | |||||
|
歐 州 用 |
標 準 |
低壓用 | -100.0~+100.0kPa | DP-101-E-P |
M5內螺紋 + G1/8外螺紋 |
PNP開路集? 電極晶體管 |
|
| 高壓用 | -0.100~+1.000MPa | DP-102-E-P | |||||
|
高 功 能 |
低壓用 | -100.0~+100.0kPa | DP-101A-E-P | ||||
| 高壓用 | -0.100~+1.000MPa | DP-102A-E-P | |||||
|
北 美 用 |
標 準 |
低壓用 | -100.0~+100.0kPa | DP-101-N |
M5內螺紋 + NPT1/8外螺紋 |
NPN開路集? 電極晶體管 |
|
| DP-101-N-P |
PNP開路集? 電極晶體管 |
||||||
| 高壓用 | -0.100~+1.000MPa | DP-102-N |
NPN開路集? 電極晶體管 |
||||
| DP-102-N-P |
PNP開路集? 電極晶體管 |
||||||
|
高 功 能 |
低壓用 | -100.0~+100.0kPa | DP-101A-N |
NPN開路集? 電極晶體管 |
|||
| DP-101A-N-P |
PNP開路集? 電極晶體管 |
||||||
| 高壓用 | -0.100~+1.000MPa | DP-102A-N |
NPN開路集? 電極晶體管 |
||||
| DP-102A-N-P |
PNP開路集? 電極晶體管 |
||||||
|
短 端口 型 |
亞 洲 用 |
標 準 |
低壓用 | -100.0~+100.0kPa | DP-101-M | M5內螺紋 |
NPN開路集? 電極晶體管 |
| DP-101-M-P |
PNP開路集? 電極晶體管 |
||||||
| 高壓用 | -0.100~+1.000MPa | DP-102-M |
NPN開路集? 電極晶體管 |
||||
| DP-102-M-P |
PNP開路集? 電極晶體管 |
||||||
|
高 功 能 |
低壓用 | -100.0~+100.0kPa | DP-101A-M |
NPN開路集? 電極晶體管 |
|||
| DP-101A-M-P |
PNP開路集? 電極晶體管 |
||||||
| 高壓用 | -0.100~+1.000MPa | DP-102A-M |
NPN開路集? 電極晶體管 |
||||
| DP-102A-M-P |
PNP開路集? 電極晶體管 |
||||||
不附帶連接器電纜型
備有不附帶連接器電纜型。請在型號末尾加注“-J”進行訂購。
■海外用
|
附件(另售)
|
規格
| 種類 | 標準 | 多功能 | |||
| 低壓用 | 高壓用 | 低壓用 | 高壓用 | ||
|
型號 (注2) |
NPN輸出 |
DP- 101 (-M) |
DP- 102 (-M) |
DP- 101A (-M) |
DP- 102A (-M) |
| PNP輸出 |
DP- 101 (-M)-P |
DP- 102 (-M)-P |
DP- 101A (-M)-P |
DP- 102A (-M)-P |
|
| 壓力種類 | 表壓 | ||||
| 額定壓力范圍 |
-100.0?+100.0 kPa |
-0.100?+1.000 MPa |
-100.0?+100.0 kPa |
-0.100?+1.000 MPa |
|
| 設定壓力范圍 |
-101.0?+101.0 kPa |
-0.101?+1.010 MPa |
-101.0?+101.0 kPa |
-0.101?+1.010 MPa |
|
| 耐壓力 | 500kPa | 1.5MPa | 500kPa | 1.5MPa | |
| 適用流體 | 非腐蝕性氣體 | ||||
| 電源電壓 | 12?24V DC±10% 脈動P-P10%以下 | ||||
| 消耗電量 |
通常時:720mW以下(電源電壓24V時消耗電流30mA以下) ECO模式:STD時480mW以下(電源電壓24V時消耗電流20mA以下)、 FULL時360mW以下(電源電壓24V時消耗電流15mA以下) |
||||
|
比較輸出 [比較輸出1、 比較輸出2 (注3)] |
NPN開路集電極晶體管 ?最大流入電流:100mA ?外加電壓:30V DC以下(比較輸出和0V之間) ?剩余電壓:2V以下(流入電流為100mA時) PNP開路集電極晶體管 ?最大流出電流:100mA ?外加電壓:30V DC以下(比較輸出和+V之間) ?剩余電壓:2V以下(源電流為100mA時) |
||||
| 輸出動作 | 通過按鍵操作選擇NO/NC | ||||
| 輸出模式 | EASY模式/應差模式/窗式對比模式 | ||||
| 應差 | 最小1digit(可變) | ||||
| 重復精度 |
±0.1%F.S. (±2digits以內) |
±0.2%F.S. (±2digits以內) |
±0.1%F.S. (±2digits以內) |
±0.2%F.S. (±2digits以內) |
|
| 反應時間 | 2.5ms、5ms、10ms、25ms、50ms、100ms、250ms、500ms、1,000ms、5,000ms 通過按鍵操作選擇 | ||||
| 短路保護 | 配備 | ||||
|
外部輸入(注4) [自動參照功能/遠程調零功能] |
- |
ON電壓:0.4V DC以下 OFF電壓:5?30V DC或斷開 輸入阻抗:約10kΩ 輸入時間:1ms以上 ON電壓:5V?+V DC OFF電壓:0.6V DC以下或斷開 輸入阻抗:約10kΩ 輸入時間:1ms以上 |
|||
|
模擬電壓輸出 (注4) |
- |
輸出電壓: 1?5V 零點:3V±5%F.S.以內 量程:4V±5%F.S.以內 線性度:±1%F.S.以內 輸出阻抗:約1kΩ |
輸出電壓: 0.6?5V 零點:1V±5%F.S.以內 量程:4.4V±5%F.S.以內 線性度:±1%F.S.以內 輸出阻抗:約1kΩ |
||
|
模擬電流輸出 (注4) |
- |
輸出電流: 4?20mA 零點:12mA±5%F.S.以內 量程:16mA±5%F.S.以內 線性度:±1%F.S.以內 輸出阻抗:250kΩ(最大) |
輸出電流: 2.4?20mA 零點:4mA±5%F.S.以內 量程:17.6mA±5%F.S.以內 線性度:±1%F.S.以內 輸出阻抗:250kΩ(最大) |
||
| 顯示 |
4位+4位3色LCD顯示 (顯示刷新周期:250ms、500ms、1,000ms 通過按鍵操作選擇) |
||||
| 顯示壓力范圍 | -101.0?+101.0kPa | -0.101?+1.010MPa | -101.0?+101.0kPa | -0.101?+1.010MPa | |
| 表示燈 |
橙色LED (比較輸出1工作模式開關、比較輸出2工作模式開關:比較輸出ON時亮起) |
橙色LED (比較輸出1工作模式開關:比較輸出ON時亮起模擬電壓輸出工作模式開關:設定時亮起) |
|||
|
環 境 性 能 |
保護構造 | IP40(IEC) | |||
| 使用環境溫度 | -10?+50℃、存儲時:-10?+60℃ | ||||
| 使用環境濕度 | 35?85%RH(注意不可結露、結冰)、存儲時:35?85%RH | ||||
| 耐電壓 | AC1,000V 1分鐘 所有電源連接端子與外殼之間 | ||||
| 絕緣電阻 | 所有電源連接端子與外殼之間,50MΩ以上,基于DC500V的高阻表 | ||||
| 耐振動 |
頻率10?500Hz 雙振幅3mm X,Y和Z方向各2小時 (面板安裝時·扁平附件安裝時:頻率10?150Hz 雙振幅0.75mm X,Y和Z方向各2小時) |
||||
| 耐沖擊 | 加速度100m/s2(約10G) XYZ各方向3次 | ||||
| 溫度特性 | ±0.5%F.S.以內(以+20℃時為基準) | ±1%F.S.以內(以+20℃時為基準) | ±0.5%F.S.以內(以+20℃時為基準) | ±1%F.S.以內(以+20℃時為基準) | |
| 壓力端口 |
M5內螺紋+R1/8外螺紋 (短端口型為M5內螺紋)) |
||||
| 材質 | 外殼:PBT(加入玻璃纖維)、LCD顯示屏:丙烯、壓力端口:SUS303、安裝螺紋部:黃銅(鍍鎳)、開關部:硅橡膠 | ||||
| 連接方式 | 連接器連接 | ||||
| 配線長度 | 0.3mm2以上的電纜全長可延長至100m(符合CE標志時:30m以下) | ||||
| 重量 | 本體重量:約40g(短端口型約30g)、包裝重量:約135g(短端口型約120g) | ||||
| 附件 | CN-14A-C2(2m連接器付電纜):1根 | ||||
(注1):無指定時的測量條件為使用環境溫度=+20℃。
(注2):型號中加注“-M”的機型為短端口型。
(注3):比較輸出力2僅標準型配備。
(注4):不能同時使用。
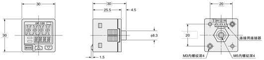
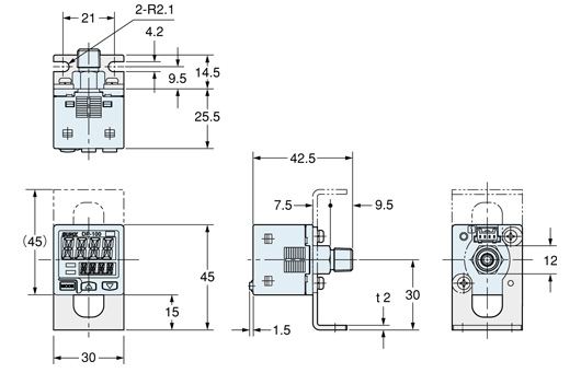
尺寸圖
- 單位mm
DP-10□(-P/-K)
|
DP-10□-M(-P)
|
MS-DP1-1
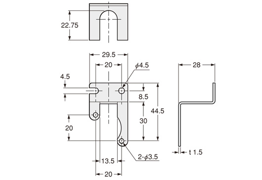
傳感器安裝支架(另售)
|
|
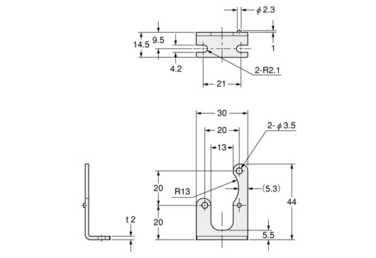
MS-DP1-5
|
|
MS-DP1-2
MS-DP1-3
|
|
MS-DP1-4
|
MS-DP1-7
|
MS-DP1-FM
|
MS-DP1-FR/FN/FE
|
CN-14A(-R)-C□
帶連接器電纜(另售、 CN-14A-C2附帶)
|
?長度L
| 型號 | 長度L |
|---|---|
| CN-14A(-R)-C1 | 1,000 |
| CN-14A(-R)-C2 | 2,000 |
| CN-14A(-R)-C3 | 3,000 |
| CN-14A(-R)-C5 | 5,000 |
用途
|
|
|
|
可選件
| 品名 | 型號 | 內容 | |
|---|---|---|---|
|
帶連接器 電纜 |
CN-14A-C1 | 長度1m |
0.2mm2 4芯橡皮電纜,一端帶連接器。 電纜外徑:?3.7mm |
| CN-14A-C2 | 長度2m | ||
| CN-14A-C3 | 長度3m | ||
| CN-14A-C5 | 長度5m | ||
|
帶連接器 電纜 (耐彎曲型) |
CN-14A-R-C1 | 長度1m |
0.2mm2 4芯耐彎曲性橡皮電纜, 一端帶連接器。 電纜外徑:?3.7mm |
| CN-14A-R-C2 | 長度2m | ||
| CN-14A-R-C3 | 長度3m | ||
| CN-14A-R-C5 | 長度5m | ||
| 連接器 | CN-14A | 10個外殼、40個觸頭為1套 | |
| 傳感器安裝支架 | MS-DP1-1 | 傳感器可安裝在地板面或天花板面。也可多臺緊貼安裝。 | |
| MS-DP1-5 |
傳感器可安裝在背面。 也可多臺緊貼安裝。 |
||
| 面板安裝件 | MS-DP1-2 |
可安裝在厚度1~6mm的面板上。 也可多臺緊貼安裝。 |
|
| MS-DP1-4 |
DP2/DP3系列可調換為DP-100系列。 新設計時,請使用MS-DP1-2。 |
||
| 正面保護罩 | MS-DP1-3 |
保護傳感器的調節面。 (使用面板安裝件時,可安裝) |
|
| 轉換襯套 | MS-DP1-7 |
安裝在DP-10□-M上,將壓力端口轉換為Rc1/8內螺紋。 可從DP2/DP3系列調換。 |
|
|
扁平 附件 |
MS-DP1-FM | M5內螺紋 | 壓力端口和電纜可向下或向左、向右切換,扁平地安裝到墻面上。 |
| MS-DP1-FR | Rc1/8內螺紋 | ||
| MS-DP1-FN | NPT1/8內螺紋 | ||
| MS-DP1-FE | G1/8內螺紋 | ||
(注1):傳感器附帶。
帶連接器電纜
|
傳感器安裝支架
|
|
面板安裝件、正面保護罩
|
|
轉換襯套
|
扁平附件
|
|
連接器推薦產品指南
日本壓接端子制造(株)生產
觸頭:SPHD-001T-P0.5
外殼:PAP-04V-S
注意: 有關推薦產品的詳情,請向制造商咨詢。
壓接工具推薦產品指南
型號:YC-610R
注意: 有關推薦產品的詳情,請向制造商咨詢。




















科恩電氣
科恩眾和