封邊機是木工機械當中的一種,屬實木機械類。封邊機顧名思義就是用來封邊用的。適用于中密度纖維板、細木工板、實木板、刨花板、高分子門板、膠合板等直線封邊修邊。可一次性具有雙面涂膠封邊,帶堵截封邊,帶粘合壓緊、齊頭、倒角、粗修、精修、刮邊拋光等功能。因其封邊細膩、潤滑、手感好,封線平直潤滑,設備運轉安穩、牢靠經用、尤為適合于家俬、櫥柜等板式家俬的廠家運用。
封邊機按機型功能可以分為標準配置型:只具備齊頭,修邊,刮邊,拋光這四個主要單元。客戶定制型,客戶可根據自己的實際情況增加雙修,開槽,仿形等工位。目前木工行業中封邊機按控制方式分主要有手動直曲線封邊機和全自動直線封邊機兩種。
利用感應器檢知工件工位從而完成封邊機的輸送-->涂膠-->切斷-->前后齊頭-->上下修邊-->上下精修 -->上下刮邊-->拋光等封邊工序。系統觸摸屏則提供一個人機交流界面 ,讓整個工序流程一目了然,對于外圍電路的故障也可做到可視化。變頻器與PLC通過MODBUS通訊,方便客戶根據不同產品調整線體速度。
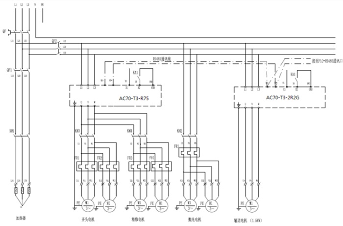
以下內容為部分電路圖及HMI組態畫面。
1:主電路
2:HMI組態畫面:
工作畫面
參數設置畫面
調試方法(以基本機型為例)
1:進入HMI系統參數頁面將溫度控制設定為無效。
2:分別調節好進料靠板組件,送料壓輪,側壓輪,精粗修模組,以及拋光輪的調整手柄。
3:當機械部分位置調大概適當的位置后就可以進行開機封邊測試了,調試人員可根據封邊效果慢慢調整進料靠板組件,送料壓輪,側壓輪,精粗修模組,以及拋光輪的間隙,直到封邊圓潤光滑便可開啟加熱有效模式進行正常生產。
通過實際的生產考驗,客戶這套整體方案十分滿意。其優勢主要體現在在以下三點
1:擁有強大的整合能力,PLC、觸摸屏,變頻器均為偉創公司產品,客戶不在為東奔西跑尋找電器組件而忙碌。2:強有力的技術支持,我們不光提供了硬件,還提供成套方案包括PLC觸摸屏程序的編寫,電氣圖紙的繪制。3:快速響應的服務。這些都為木工封邊機生產商搶占先機奠定了基礎。







科恩電氣
科恩眾和